Skip to main content
Home Documents Lisa 050 4012 E Video
050 4012 E Video

050 4012 E Video

Lisa · PDF
Filename050-4012-E_Video.pdf
Size0.25 MB
Subsection hardware / Lisa_Video
Downloads2
Contents
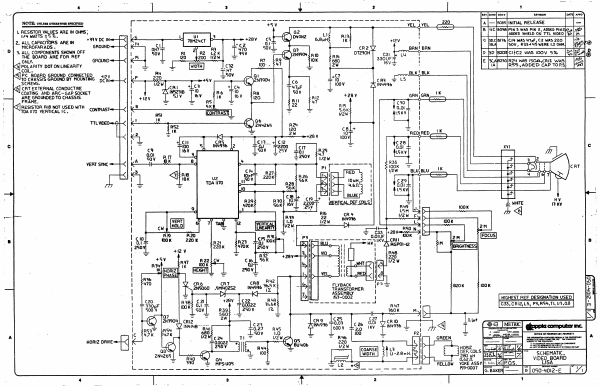
3 ‘ coe 4 2 4 2 5 NOTE: untess orHERwise SPECIFIED PT gg REY Zone | FoO# Lec DATE] APro’ 1, RESISTOR VALUES ARE IN OHMS; | ual YEL yveL 220. ‘4 |— [boss] initiaL RELEASE _ 1/4 WATTS £5 %, Ls ; 7 5 v — B [4C [BOB] PIN 3 WAS PIN 2, ADDED PIN2| IN. VA 2 ALL capac S ARE IN +F9V DC Ky r TeMZ4ct mmnes +28V & | ADDED SHIELD ON TTL vineo pet pe - | 3, ALL COMPONENTS SHOWN OFF GROUND NX on! 2 i) & OV —Y f © fapctar7e jc was w7eF Couns 220 | 1th THE BOARD ARE FOR REF Vs Sov] gl “| ne kek Ts = BRN! BRN Al |sov, RaselS wee 120m) [yaty® GROUND K 200 ew = C3 ie Lu 1 bp |ezostcitc2 was ioov 5% = [ask ea POLARITY DOT ON LINEARITY = 89 Soe H ' SIEAG eee Span an = = [woth] 102 47 16v- \ E PacAaz80) R24 was 1SOR,CRIZ. Was yale BOARD GROUND CO! RY : sADDED CAP TORS| |?a5 To cHassis GROUND BY MOUNTING pen. ke. 220 4sy = 50V BLK! BLK . 0 amet 1 CAT EXTERNAL CONDUCTIVE | vew +103 I ks O36" 3 COATING AND ARC-GAP SOCKET 1 pale Les pos OT pF lov ZX INGS36 ! —| ARE GROUNDED TO chassis ey Sv [e y He [re v pow = | } { = + Rs RI2 pecere eevee = = = Bll f a7 -— : TORIEO VERTICAL IC, “CONTRAST: Ke 5k 2 1 RSI INTRA’ = = trwwe0=¢t<] KE a = | a2 Rm 120 ux ae S , kj}, . 2w zeny c |= du J te Lge tee, J bat ev, L50V | 25 Se i xv c t, cov 87 —4 = - Tasov #4. VERT SYNC K ¥ BK 8 4 = ' HS it a - zy : 3 <I <aine ns wl R27 cy cAT ! 1K u2 Wy] 220K’ R26 Lx i= + ToaN7o ptt azet 2% x —_ | ~ Kd Sek x . 1 T i 1 R29 R30 Bat (* : | 470K 56K mL 4 25007 : = Sg Lb! 100K w ~ | RB 8 hy ; Ty rash. 130, 2 . = i 3 V cro By [= ‘3 - lor R21 ' i ane oes | 2m FOCUS 250 220K PS] 101 ay aianenae fromesg ° I ~ asy +28V ENT Neus ! ! | t R37 R225 cw 1 i H | R34 1K 100 k EN | ! | t i Ky ORIZ [HEIGHT] i 3 i | HASE] = = H id A R42 ° } a —_I CRO cR7 CAS t r 36.5 K FLYBACK PIS | Ed \ SMINOZS2 IN4936 “15 \ TRANSFORMER r= H 820K 00K 3 | \ ASSEMBLY | \ le tl 157-0002 1 \ iS ; AGO] jase Cal = av dere Rg |e ---—----- a H HIGHEST REF DESIGNATION USED iN | 39 Bu 1 €33, CRI2,L5, P3,R54,TI, U3,08 Pe | os ° _it My 7 2W 1 Ne cri2 ; C25 C27 ! VY inuiue- des I. 2 0.01 fae LT Cry OW Sa Tueic BS e00v + v ey a ik 2.0 re T = @feppic computer nc. i GREEN . A 1 QB rah HORIZ | 2N4265 Fal DEF. COILS rar = P| Pan ee vibeo. BOARE L ne = ht Ui YELLOW YOKE ASSY|' LISA z ee ee 4 159-0007 DIC pe aa) [oso-woiz-E_ | 1)