Skip to main content
Home Documents Lisa 050 4010 B Mem
050 4010 B Mem

050 4010 B Mem

Lisa · PDF
Filename050-4010-B_Mem.pdf
Size0.78 MB
Subsection hardware / Lisa_Memory
Downloads3
Contents
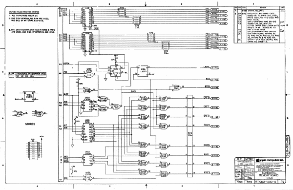
(— robrrae af de 2-RPY AW ea [rev|zone] ecow REVISION APeD NOTE: uniiss onHeRWISE SPECIFIED 37 [RAZ slap 2 2 E AS =a) A] _|BOed_INITIAL RELEASE a NY 31 BAS 4 & $ Teo) B |3cajpi2 | SHT1-UI3C WAS MAND GATE. 1. ALL CAPACITORS ARE IN uF. 38 PA t 4D 2 Sa a ATL {3=4E) 3D ADDED Hi TO PINI! UNIC,UIIB, 2. FOR 512K MEMORY, ALL RAM ARE USED. HES 2 Ss 5 AGL =He ‘cD BS pC aLIC UIC SCL) USE BILL OF MATERIAL 620-Cli2. W270 Is 3 3 AGL GRC 2a SHT2-DOB-DOIS WAS DB-DIS |, 44h 0 aD. 8d 9. erp) GA ADDED C16,C29,C614C73 Ie bE __¢ | $373 RPS ©.1%32 UPPER AND LOWER BYTE | 7/z/#{ D . "OCH 330 WAS 0.1% 36. ADDED HI TO 3. FOn 256K MEMORY, ONLY RAM IN ROWS B ANDC : 2cal PIN II UIZE,UIZE. a ARE USED. USE BILL OF MATERIAL 620-0156. Rp2 2D SHT3-DO8-DOIS WAS DB-DIS | mx RAY {pene 2 Fi werent A3U Sap) ec 64K RAM DETAIL AS WAS AS, 34 Ra yD tS way AGU 0 =a) A2 WAS AY, Al WAS A3, A3_WAS. 35 RA 7 & Sis. A2U G—aD) A2, AU WAS AI ¢ AS WAS AG. 33 [has EJ 2 7 8 ASU = — (3=ub) 2c SHT4— 64K RAM DETAIL WAS Ed ) a) he 33a 8 7 ASL Gop SAME AS SHEET 3. g 15. 5] GI A2 <CrT) 7p 7QHe 3 CY AY (us ale 19 TT 2 1 ASL Gap $373 RPS in 33a, +8V 10 RPI ? _— | ane uo 3 LeDSL My tas ~—HEDSL @=TE) | ' ulsc 2 uige aff! P ura ® ——!24 c. 5 LS375 c | Sec REFEREE 46 4de ap*-ne ; cor Le Re RPS ‘ + . . +5V BAS GT) . rh BD 8 5S =a isg2_/0 (2—4B) —p al BOSL rr vias, vo fat — . H2E\ 3 2] UIDE )pl2 Shalt TS 8 r= nase op 2 =D, ED AIS 3 AZO. 2 7 __ WHat UIZE)S. 5 2 CAS | r= ap USO NC uu : “SHR 2 5 = , 1208. lulgD 2 to cas 2 5, 9 ——= SPARES a AZ Tras Ta{uigo 8 UT wnfié SS —aR y2 [Als 4, {i Sid RPE +5V at in RPI 1 — 6 i i 2 {22> 2 s 10>! yy 13 RASG 3 E _ 131 Sue S=ue) 7 6 eit RAS I g uf 9)» SE = UliD \8 8] 9 RAS 2 1o| ‘Sa sus A Be, Ay eee [Sc |__ SS RE Ream ra ! AWA UND 3. 2 15, RAS3 ag eet coma SCHEMATIC, 2] 808 =A) pa Vel 741 MEMORY BOARD Cb mH] ROS. LISA Pitch | NONE |b | 050-40I0-8 i w \ LV) 4 2 1 us RPI t2 UI3C 5 UI3D Qi UI2ZA LS375 UISA t $i32. uiea\! Sez 1 MDS. 43. 12. ko Wy Le ks KS fo jm bn po 1g 14 jr ro) Vomrmnor i 12 13 LS28g JLS373 =9) my Ri 33nt5% o od K_ CLR G UI5A $3 LBD LL [MD I2 1MO13. {MD IS. ul eee ee eee ee ee MREAD. es exe, i 0. +SFLTO SHY LOWER BYTE x32 UI2ZA Ls375 Q en TOSH y we > UIZA ' 53 Sy,TOSH1 AND 2 shou x 23 uUl2D 4 UleE 1. 15 1y 16 17. 19 12 13 ~ 3° Toanm>oo9 ale Nilo LS28¢ LS373 IAM WlLayd 9, ta 1We__J [rev]zone| eco. | q REVISION ‘. LOWER BYTE > UPPER BYTE T T SEE SHEET 1 = i (© | METRIC PiU _G=aa) 00S Re 33ntS% POU 3=35) LRA =I) a YAU a NBS SCHEMATIC, MEMORY BOARD huts |% vee [gf — , FITCH NONE D| _050-4010-8 LISA . 2 1 cr NOTE: UNLESS OTHERWISE SPECIFIED Ags 00 RAN U2B RAM 5B RAN u7B RAM u6B RAM usB AY UIC CAS I (2A) RAS | u2c RAM u3c uUuc RAM usc u6C RAM u7c RAM usc usc CAS 2. PAS 2. RAM U2D RAM U30 RAM U4D RAM U6). u70 RAM usd usD 12. ut 19 13 15 RAM U2E RAM U3E RAM UGE RAM USE RAM U6E RAM U7E RAM U8E USE nc—linc enoH8—peno —Z2pi_ Cas — pA “00 —RAS - a6 —Slao - a3 …

Showing first 3,000 characters of 4,398 total. Open the full document →